Witam!
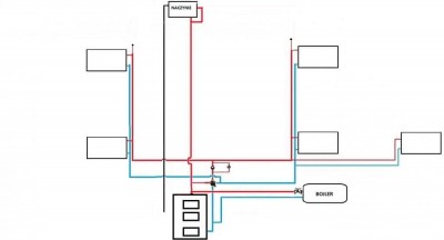
Czy ponizszy schemat instalacji jest prawidlowy?
Czy instalacja wykonana wedlug schematu bedzie odpowiednio dzialac? A przede wszystkim czy bedzie bezpieczna?
Pozdrawiam
Schemat instalacji CO
Informacje na temat instalacji grzewczych, ogrzewania domu, kotłów CO. Dowiedz się jak ogrzać mieszkanie i jakie wybrać instalacje grzewcze aby rachunki nas nie zaskoczyły.
Moderator: Redakcja e-instalacje.pl
Wróć do „Instalacje grzewcze i ogrzewanie domu”
Przejdź do
- PORADY EKSPERTÓW
- ↳ Dachy i elewacje Blachy Pruszyński
- ↳ Ekspertyzy budowlane i opinie techniczne
- ↳ Aranżacje wnętrz
- ↳ Projekty domów jednorodzinnych
- ARANŻACJA WNĘTRZA
- ↳ Kuchnie
- ↳ Łazienki
- ↳ Salon / Pokój dzienny
- ↳ Sypialnie
- ↳ Pokoje dziecięce, pokoje młodzieżowe
- ↳ Wnętrza na poddaszu
- ↳ Pomieszczenia inne
- ↳ Ogrody, balkony i tarasy
- ↳ Podłogi
- ↳ Ściany elewacje fasady
- ↳ Oświetlenie wnętrz
- ↳ Dekoracja wnętrz
- ↳ Sprzęt RTV i AGD
- INSTALACJE BUDOWLANE
- ↳ Instalacje wodne
- ↳ Kanalizacja i odwodnienia
- ↳ Wentylacja i klimatyzacja
- ↳ Instalacje gazowe
- ↳ Instalacje grzewcze i ogrzewanie domu
- ↳ Instalacje elektryczne
- ↳ Kolektory słoneczne
- ↳ Instalacje fotowoltaiczne i panele słoneczne
- ↳ Dom inteligentny, dom bezpieczny
- ↳ Odkurzacze centralne
- DACH I PODDASZE
- ↳ Więźba dachowa
- ↳ Impregnacja drewna, impregnacja więźby dachowej
- ↳ Pokrycia dachowe
- ↳ Azbest na dachu
- ↳ Obróbki blacharskie
- ↳ Okna dachowe
- ↳ Rynny
- ↳ Kominy, Systemy kominowe
- ↳ Poddasze
- ↳ Akcesoria dachowe
- ↳ Narzędzia dekarskie, narzędzia budowlane
- IZOLACJE BUDOWLANE
- ↳ Fundamenty
- ↳ Stropy
- ↳ Certyfikaty energetyczne
- ↳ Ściany
- ↳ Ocieplenie skalną wełną mineralną
- ↳ Dachy
- ↳ Chemia budowlana
- ↳ Okna i drzwi
- ↳ Bramy garażowe
- ↳ Izolacje termiczne i akustyczne
- ↳ Hydroizolacje
- ↳ Izolacje techniczne
- ↳ Docieplanie budynków
- ↳ Dom energooszczędny i dom pasywny
- ↳ Materiały uszczelniające
- ↳ Osuszanie budynków - wilgoć i grzyb na ścianach
- BUDOWA DOMU
- ↳ Zdjęcia z budowy domu
- ↳ Ceny materiałów budowlanych
- ↳ Domy Drewniane
- ↳ ADD Autonomiczny Dom Dostępny
- ↳ Dziennik budowy - budowa dzień po dniu
- ↳ Prawo budowlane
- ↳ Opinie o deweloperach
- ↳ Lista płac wykonawców budowlanych
- ↳ Porozmawiajmy o wykonawcach
- ↳ Błędy budowlane
- ↳ Kryzys w budownictwie - spostrzeżenia, uwagi
- ↳ Ile kosztuje budowa domu, remont domu
- ↳ Materiały budowlane - opinie
- ↳ Materiały wykończeniowe - opinie
- ↳ Inne - najróżniejsze problemy, pytania ...
- ↳ Zrób to sam - rozwiązania własne
- ↳ Baseny i zadaszenia basenów
- ↳ Ogrodzenia
- ↳ Drobne ogłoszenia - posiadam niepotrzebne, szukam, zlecę, sprzedam, kupię
- FORUM
- ↳ Uwagi o naszym Forum
