Pytanie o wyprowadzenie z kominka dodatkowego wylotu
Moderator: Redakcja e-instalacje.pl
Pytanie o wyprowadzenie z kominka dodatkowego wylotu
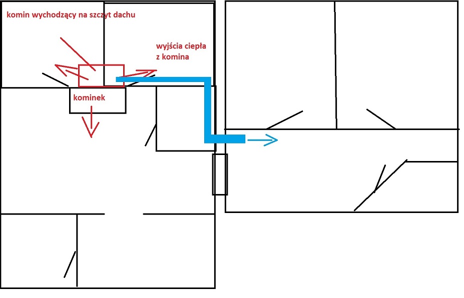
Witam wszystkich, mam takie pytanie, otóż zakończyłem dobudówkę do domu, i potrzebuje wyprowadzić dodatkowy pion ogrzewania z kominka, czy ma to sens? pewnie chodzi o wymuszony obieg, czyli jakiś wiatrak, daję zdjęcie aby zobaczyć o co chodzi, kolor niebieski to nie istniejące, lecz w planach wyprowadzenie rury do ogrzania dobudówki. Dziękuję
Re: Pytanie o wyprowadzenie z kominka dodatkowego wylotu
Tyle że jeden budynek musi być połączony z dobudówką. Obieg powietrza musi być między nimi inaczej wentylator będzie zasysał powietrze z kratek wentylacyjnych i wdmuchiwał go do drugiego budynku.
Firma Ogólnobudowlana K-BOLBUD Bolesław Wujczyk
Żory - śląskie
Żory - śląskie
Re: Pytanie o wyprowadzenie z kominka dodatkowego wylotu
One są połączone ze sobą, trochę z maściłem na tym rysunku, normalnie, tam gdzie ma iść nowa rura wentylacyjna tam jest korytarz, i łączy oba budynki, bez drzwi itp, myślę nad drzwiami, ale takimi pokojowymi, ale ogólnie czy ma to sens, aby wymusić obieg ciepłego powietrza, aby wpuszczał do korytarza?

